| maximum working pressure | 550 bar | 55 MPa | 7977 psi |
| working temperature | -60 to 250 °C | -76 to 482 °F | 213 to 523 °K |
| vacuum capability | 755 mm Hg | ||
| olive | BRASS | ||
| body | BRASS | ||
| nut | BRASS |
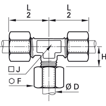
| ØD (MM) | F (inc) | H (inc) | J (inc) | L_2 (inc) | Weight (kg) | ||
| 0104 10 00 | 10 | 0.75 | 0.57 | 0.47 | 1.18 | 0.105 | |
| ØD (mm) | F (mm) | H (mm) | J (mm) | L_2 (mm) | Weight (kg) | ||
| 0104 10 00 | 10 | 19 | 14.5 | 12 | 30 | 0.105 | |
